| Sign In | Join Free | My chinacsw.com |
|
Brand Name : Shelok
Model Number : SLK-YS
Place of Origin : Shaanxi, China (Mainland)
MOQ : 1piece
Price : USD+794~2100+Piece
Payment Terms : L/C, D/A, D/P, T/T, Western Union, MoneyGram
Supply Ability : 100+pieces+per month
Delivery Time : 5-8 work days
Packaging Details : Standard export carton packing or can customized
Dimensions : 65x55x35cm
Pressure range : 0-60MPa
WEIGHT : 40-90kg
Thread : 1/4NPT or others
Medium : oil
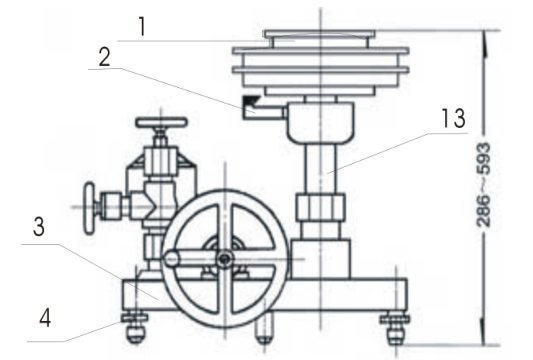
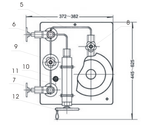
YS series Piston DWT is a high accuracy high reproducibility and high reliability of the standard pressure measuring instruments based onPascal's law and the principle of hydrostatic equilibrium produced. Mainly used for measuring room, laboratory and production as part of
scientific experiments, or use a reference pressure.
The working principle of YS dead weight tester is based on the piston itself weight, and add the dedicated weights on piston weight, the pressure produced on the piston area and the hydraulic pressure balance status of the container.
Piston dead weight tester composed of the two part test pump and measuring system.
See figure.


1. Weights 2.Instructions Plate
3.Pedestal 4.Adjusting Screw
5.Connecting pipe
6.7.8.valve
9.Oil Cup
10.level Instrument
11.Hand Pump 12. Handwheel
13.Measurement System

|
|
Hydraulic piston 0-60MPa dead weight tester for Pressure Sensor Images |